变位机

1PC500/1000
变位机

技术顾问微信二维码

📞:178-2198-6678

查看更多变位机类型

产品技术参数

①高速:拥有毎秒120°(1PC500), 毎秒72°(1PC1000)的最大旋转速度,提高了生产性;
②高精度:通过使用无背隙减速机,变位机反复精度可达±0.1mm(在R300的 位置);
③高耐久性:简洁的驱动系统可以减少故障的风险。

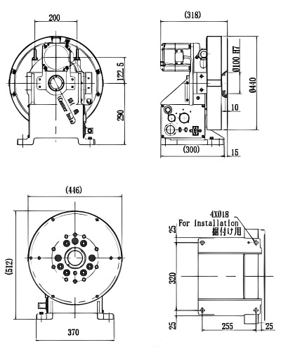
1PC500

1PC500技术参数图示

1PC1000

1PC1000技术参数图示
基本参数
型号 PC501 PC1001
最大载重 500kg 1000kg
最大旋转速度 2.1rad/sec[120°/s] 1.3rad/sec[72°/s]
容许最大扭矩 490N·m 1078N·m
重复精度 ±0.05mm
(在R250的位置)
±0.05mm
(在R250的位置)
旋转停止位置 任意 任意
重量 260kg 260kg